联系热线
电动螺旋压力机
电动螺旋压力机是一种工艺适用性极强的锻压设备。螺旋压力机具有万能性大,结构简便,调整维护简便,滑块无下死点,便于模具设计,锻件精度高等特点。适用于各种精锻、精整、精压、压印、校整、校平等工序。 电动螺旋压力机既能用于热锻,又能用于精锻、精整;既能适用于不锈钢复底锅压力焊接工艺,又能适用钛合金叶片及其它叶片的精密锻造。
应用方案特点
1、采用电机编码器反馈信号作为滑块位移测量装置,无需安装滑块位移传感器,节省投资;
2、在一次打击过程中,能量检测、控制模式切换、返程位置规划均由EA200自动完成,PLC仅进行打击循环的控制,大大降低PLC编程的复杂度;
3、内置电机温度检测电路,可实时监视电机温升,提高电机可靠性;
4、滑块返程时,EA200自行规划位置,抱闸仅在返程位置到达时投入,机械磨损大为降低,甚至无磨损;
5、能量检测、控制模式切换无需PLC干预,响应更迅速,打击能量更加精准;
6、位置控制,滑块回程定位更加精确。
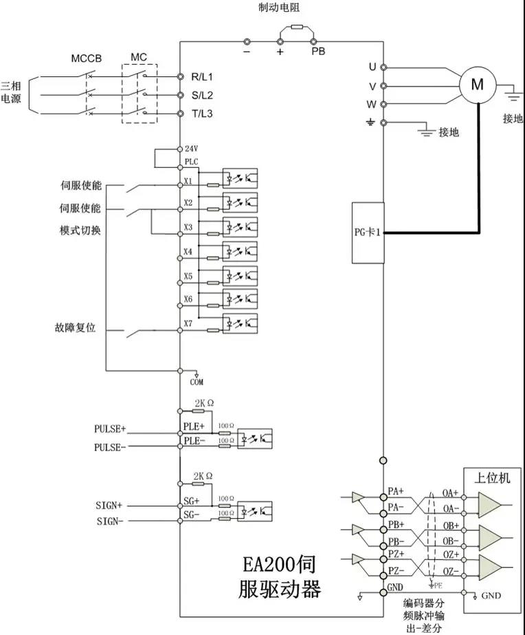
电气原理图
应用方案
1. 速度模式下进行通用切削加工、主轴定向准停、刚性攻丝等主轴功能;
2. 位置模式下接收数控系统脉冲指令,完成分度控制、与进给轴配合完成C轴功能,进行螺纹切削、刚性攻丝等功能。